O que é a ABNT NBR 9050?
A ABNT NBR 9050 é a norma técnica brasileira que estabelece os critérios e parâmetros técnicos a serem observados para o projeto, a construção, a instalação e a adaptação de edificações, mobiliário, espaços e equipamentos urbanos às condições de acessibilidade. Publicada pela Associação Brasileira de Normas Técnicas (ABNT), ela é a principal referência para garantir que os ambientes sejam acessíveis a todas as pessoas, independentemente de sua condição física, sensorial ou cognitiva.
A norma visa eliminar as barreiras arquitetônicas e urbanísticas que impedem ou dificultam a participação plena e efetiva de pessoas com deficiência ou com mobilidade reduzida na sociedade. A NBR 9050 é uma ferramenta fundamental para arquitetos, engenheiros, designers e gestores públicos na criação de espaços mais inclusivos e democráticos.
A Importância da NBR 9050 para a Inclusão
A acessibilidade é um direito fundamental de todo cidadão, garantido pela Constituição Federal e por legislações como o Estatuto da Pessoa com Deficiência (Lei nº 13.146/2015). A NBR 9050 é o instrumento técnico que traduz esses direitos em diretrizes claras e objetivas para a concepção dos espaços. Ao seguir as recomendações da norma, os profissionais contribuem para a construção de uma sociedade mais justa e inclusiva, onde todos possam circular com autonomia e segurança.
A importância da NBR 9050 vai além do cumprimento da lei. Projetar espaços acessíveis é um ato de empatia e de responsabilidade social. Um ambiente acessível beneficia não apenas as pessoas com deficiência, mas também idosos, gestantes, pessoas com crianças de colo e qualquer pessoa que, em algum momento da vida, possa ter a sua mobilidade reduzida.

Principais Diretrizes da Norma
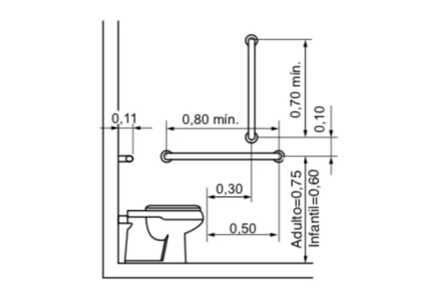
A NBR 9050 é uma norma extensa e detalhada, que aborda todos os aspectos da acessibilidade em edificações e espaços urbanos. Entre as suas principais diretrizes, podemos destacar as dimensões e as inclinações corretas para rampas e escadas, a largura mínima para portas e corredores, a especificação de pisos táteis de alerta e direcionais para pessoas com deficiência visual, e a adaptação de sanitários e de vagas de estacionamento.
A norma também estabelece os parâmetros para a instalação de corrimãos, guarda-corpos e barras de apoio, as alturas adequadas para a instalação de interruptores, tomadas e comandos, e os requisitos para a comunicação e a sinalização visual, tátil e sonora. O objetivo é garantir que todas as pessoas possam utilizar os espaços de forma autônoma, segura e confortável.
Ponto-Chave
A NBR 9050 é um manual completo para a concepção de projetos acessíveis. Consultá-la e aplicá-la corretamente é um dever de todo profissional da área da construção.
Aplicação da NBR 9050 em Projetos
A aplicação da NBR 9050 deve começar desde a fase de concepção do projeto. O arquiteto deve pensar a acessibilidade de forma integrada ao projeto, e não como um item a ser adicionado no final. A rota acessível, que é o trajeto contínuo, desobstruído e sinalizado que conecta os ambientes internos e externos da edificação, é um dos conceitos mais importantes da norma.
Todos os projetos de edificações de uso público ou coletivo, bem como os de uso privado multifamiliar, devem atender integralmente aos requisitos da NBR 9050. Para a aprovação do projeto na prefeitura, é necessário apresentar os desenhos que comprovem o atendimento à norma de acessibilidade. A aplicação correta da NBR 9050 garante não apenas a legalidade do projeto, mas também a sua qualidade e a sua responsabilidade social.
| Elemento | Principal Requisito da NBR 9050 | Custo Estimado de Adaptação |
|---|---|---|
| Rampa de Acesso | Inclinação máxima de 8,33% (1:12). | R$ 300 - R$ 600 por metro linear. |
| Sanitário Acessível | Área de transferência para o vaso sanitário e barras de apoio. | R$ 3.000 - R$ 7.000 por unidade. |
| Piso Tátil | Instalação de piso de alerta e direcional em áreas de circulação. | R$ 80 - R$ 150 por m². |
| Vaga de Estacionamento | Sinalização e dimensões adequadas. | R$ 500 - R$ 1.200 por vaga. |

Sinalização e Comunicação
A sinalização é um elemento fundamental para garantir a autonomia e a segurança das pessoas com deficiência. A NBR 9050 estabelece as diretrizes para a sinalização visual, tátil e sonora dos ambientes. A sinalização visual deve ter contraste de cor e ser legível para pessoas com baixa visão. A sinalização tátil, como o piso tátil e as informações em Braille, é essencial para as pessoas com deficiência visual.
A sinalização sonora, como os alarmes de incêndio sonoros e visuais, e os elevadores com aviso sonoro, é importante para as pessoas com deficiência auditiva e visual. O Símbolo Internacional de Acesso (SIA) deve ser utilizado para indicar os locais e os serviços acessíveis. Uma boa comunicação e sinalização garantem que todos possam se orientar e utilizar os espaços com segurança.
Dica Profissional
Pense na acessibilidade de forma universal. Um projeto que é bom para uma pessoa com deficiência geralmente é bom para todas as pessoas. O design universal é a chave para a verdadeira inclusão.
Ferramentas Gratuitas para Arquitetos
Acesse nossas calculadoras profissionais e simplifique seus projetos.
Acessar FerramentasFiscalização e Responsabilidades
A fiscalização do cumprimento da NBR 9050 é de responsabilidade das prefeituras, através dos seus órgãos de licenciamento e de fiscalização de obras. O profissional responsável pelo projeto, seja ele arquiteto ou engenheiro, tem a responsabilidade técnica e legal de garantir que o projeto atenda a todos os requisitos da norma. O seu registro profissional pode ser cassado em caso de negligência.
O proprietário do imóvel também é responsável por garantir a acessibilidade da sua edificação. A falta de acessibilidade pode gerar multas e ações judiciais. O Ministério Público e os conselhos de direitos da pessoa com deficiência também atuam na fiscalização e na denúncia de casos de desrespeito à norma. A acessibilidade é um dever de todos.

Perguntas Frequentes
A NBR 9050 se aplica a residências unifamiliares?
A aplicação da NBR 9050 em residências unifamiliares não é obrigatória, mas é altamente recomendável, especialmente se houver algum morador com mobilidade reduzida ou se houver a intenção de vender o imóvel no futuro. Uma casa acessível é mais valorizada.
O que fazer se um estabelecimento não for acessível?
Você pode denunciar o estabelecimento à prefeitura, ao Ministério Público ou ao conselho de direitos da pessoa com deficiência da sua cidade. A falta de acessibilidade é uma forma de discriminação e é passível de punição.
A NBR 9050 é uma lei?
A NBR 9050 é uma norma técnica da ABNT. Ela não é uma lei em si, mas a sua aplicação é tornada obrigatória por diversas leis federais, estaduais e municipais, como o Estatuto da Pessoa com Deficiência e os Códigos de Obras.
Onde posso encontrar a NBR 9050 na íntegra?
A NBR 9050 pode ser adquirida no site da ABNT. Muitas prefeituras e conselhos profissionais também disponibilizam a norma para consulta em seus sites.